Domestic Wiring

About Us

Domestic Wiring

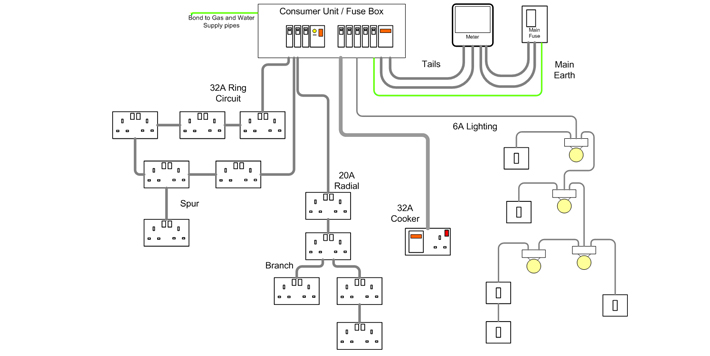
By domestic wiring, we provide electrical connections for fans lights and any other household equipment. It also includes connections for telephone, internet, home theatres, security CCTV, distributed audio, etc. We use three-core wiring called live neutral and earth is to deliver the main supply to a house. The location for connecting the equipment is determined before and wiring is carried out according to that. Telephone outlets will be provided as per the client’s necessities.

We ensure that all the safety precautions are taken before installations are done. When choosing the wires and electrical fittings we concentrate on the durability of the product so that it will not be affected by weather conditions, fumes, etc. Also, we pay attention to safety against leakages and fire hazards. By using appropriate materials, we always give an aesthetic appearance to the interiors.

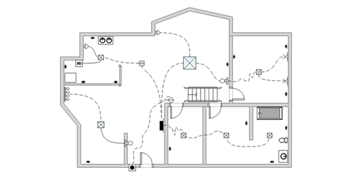
Domestic Wiring Sample

The accessibility of the switches and plug points are determined before and according to the that the electrical circuit design is prepared. The maintenance cost is also taken into consideration while choosing the products for wiring. We do wirings for permanently installed equipment as well as portable ones. We also undertake the works to alter the electrical connections for an already existing house without disturbing the interiors of the house. We do automation works such as lighting control systems. Most of the home wirings are done using concealed conduit wiring system as it is a safe and reliable wiring system. Also, the risk of wear and tear is less and maintenance cost is minimal.

All the works are carried out by experienced and licensed technicians with high-quality equipment. Our products stick to the industry standards and we deliver the highest quality wiring for your apartment. If the wirings are not properly done inside your house it can cause a lot of hazards. If you are not aware of the wiring systems and standards, we are here to help you light up your dream home according to your expectations and your budget.